Примерный ток потребления – 30 mА.
Размер в собранном состоянии 136 х 60 х 60 мм.
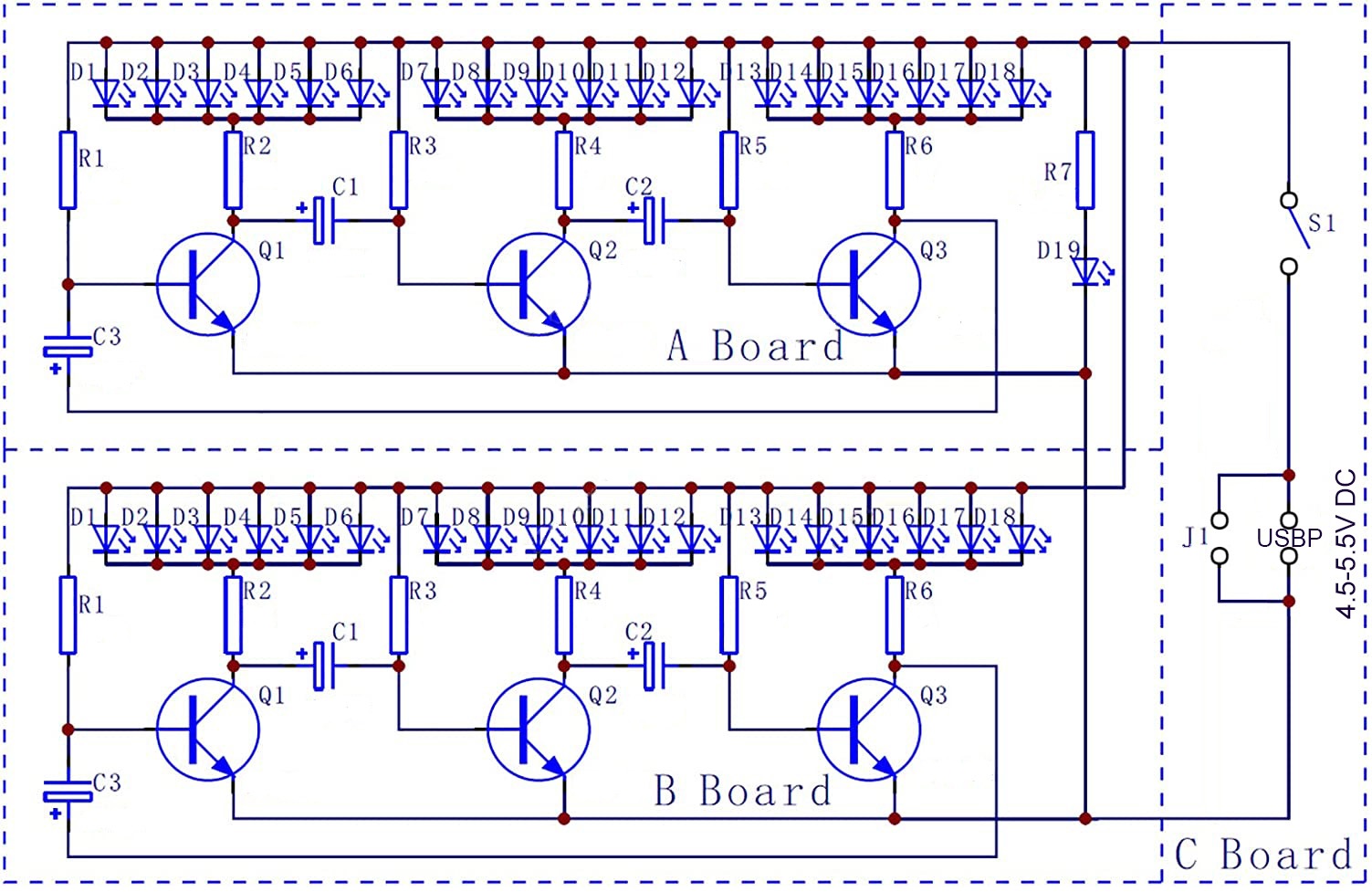
Советы по сборке
Плёночные резисторы часто маркируются в международном формате полосно-цветовой кодировки. По количеству колец и их расцветке определяется номинал в ед.изм. Ом. Измерить приблизительную величину сопротивления позволяет простой бытовой мультиметр.
Полярность электролитических конденсаторов отмечена прямо на их корпусе - белая полоса проходит рядом с минусовой ножкой.
Проверяя светодиоды перед пайкой, включайте их к истонику напряжения вместе с последовательным токоограничивающим низкоомным резистором, чтобы не создавать условие КЗ.
Монтируйте светодиоды на ребро печатной платы. Так будет видно максимальное количество лампочек под любым углом обзора.

